D FWK-12 电缆分接箱( 环网柜)
D FWK-12 电缆分接箱( 环网柜)
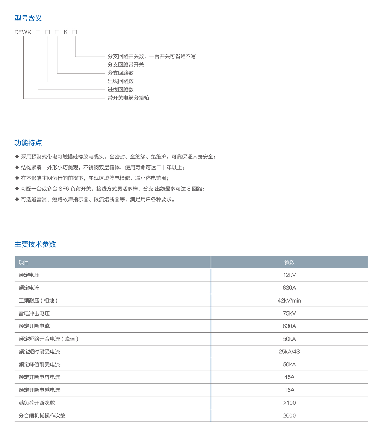
产品概况

采用预制式带电可触摸硅橡胶电缆头,全密封,全绝缘,免维护,可靠保证人身安全; .结构紧凑,外形小巧美观,不锈钢双层箱体,使用寿命可达二十年以上;在不影响主网运行的前提下。

实现区域停电检修,减小停电范围;可配一台或多台SF6负荷开关。

接线方式灵活多样,分支出线最多可达八回路;可选避雷器、短路故障指示器,限流熔断器等,满足用户各种要求。


技术参数

13.jpg

若您想进一步了解我们
可拨打右侧服务热线,我们将竭诚为您服务
COPYRIGHT © 2020 江苏全友电气有限公司 ALL RIGHTS RESERVED 苏ICP备2020058850号-1